Plastic Fasteners
Cable clamps (reusable)
Cable clamps (reusable)
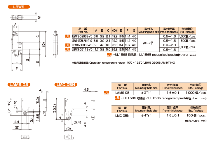
LOCKING CLAMP LBWS
Feature
Compact, space-saving wiring clamp.
Wide clamp’s opening for easy cable insertion without causing damage to cables such as optical fibers.
- Cable clamp
Specification
List
| Mounting methods | Snap, (Hole diameter φ3.5 +0.2 0) | Flammability | UL94V-0 recognized product |
|---|---|---|---|
| Cable mounting direction | From top | Feature | With lock mechanism, UL1565 recognized product |
Different part number may have different characteristics. Please refer to the catalog for details.
3DPDF
You can download the 3D PDF.
Please contact us for 3D PDFs with different part numbers.
About viewing 3D PDF
When you open a PDF that contains 3D content, you'll see a yellow bar at the top with the message "3D content is disabled."
Please enable the function to view.
To enable 3D content in the current document
Click the Options button and then select an appropriate option:
- Trust this document one time only
- Trust this document always
To enable 3D content permanently:
Go to Edit > Preferences > 3D & Multimedia and then select the Enable playing 3D content checkbox.
Part No. list
You can download a drawing and a test report,
add an sample to Sample Request Box per part number.
| Part No. | Width(Outer diameter) (mm) |
Height(Outer diameter) (mm) |
Panel thickness (mm) |
Drawings/3D Data/Certs | Sample Request |
|---|---|---|---|---|---|
| LBWS-0206S-V0 | 13 | 6.5 | 0.5 ~ 1.6 | Please ask | |
| LBWS-0511S-V0 | 18 | 9.5 | 0.5 ~ 1.6 | ||
| LBWS-0605S-V0 | 13 | 10.6 | 0.8 ~ 2 |
Product Inquiry
Please send us your inquiry from the query system regarding product and technical matter about it.
Suggestion of selection guide of expected Cable Clamp (Re-use Clamp) is also available.
If you are a website member, you can easily ask inquiry after Login.
Your personal data will be processed in accordance with our "Privacy Policy".
Please confirm and ensure you agree with the contents before entering any details.
Please also note that our representatives may contact you for customer support.

